Base-Layer Controller Design Issues in APC project

Pretest and PID tuning is a common activity for general APC projects. Whether you're an experienced engineer or a junior engineer, the process is nothing special.

Have you ever suspected that the base layer controller design provided by the EPC was wrong? Especially when an operator informed you that some of the controller’s performance were poor and the engineers were struggling with the tuning and control logic modification?

Nowadays, some APC vendors state that they are able to deliver APC with auto step test, auto model identification, and update the model online. This sounds fantastic, and it seems possible to improve efficiency in engineering significantly, but is this true? is this a fact, or just a dream for most customers?

A few years ago, I was working on an APC project specifically for an NGL plant. The plant was started just 2 years earlier and the plant engineer told me that the chiller separator feed temperature control was very poor, and that they had struggled with this since start up. The DCS engineer modified the control strategy and a nonlinear control algorithm was implemented, the standard deviation was improved from more than 10 degrees to about 8 degree, and he asked me retune the PID by using our powerful PID tuning software.

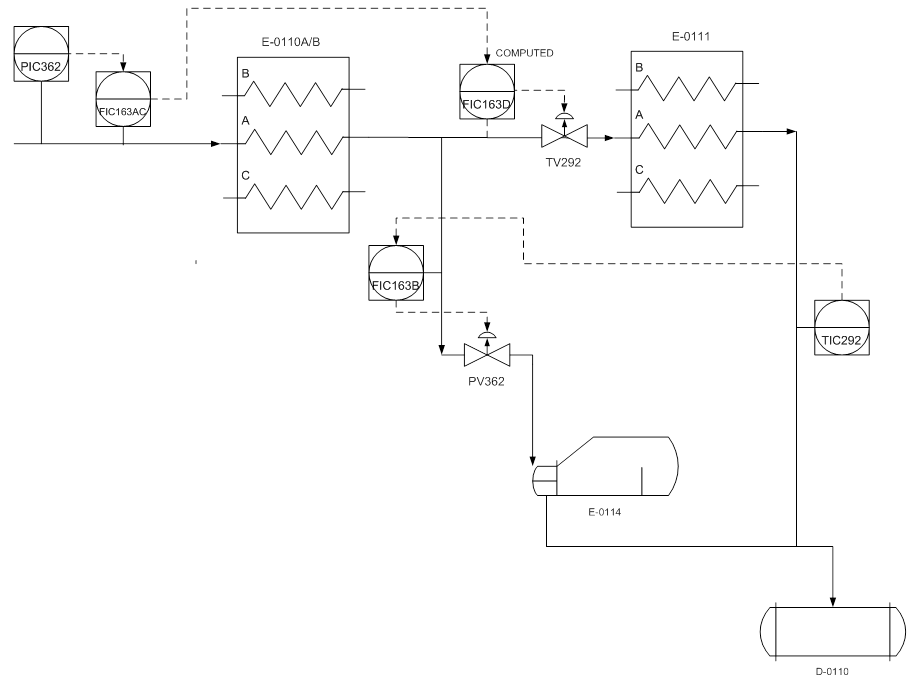
The original control scheme for the gas chilling train feed pressure and chiller separator temperature control is shown below:

 

fig 1: The original control scheme for the gas chilling train feed pressure and chiller separator temperature control

 

The chilling train feed pressure is a very important process variable for an NGL train. It is controlled by chiller E-0111 bypass, and chiller separator D-0110 temperature is another important process variable which will affect chilling train expander operation. From the control scheme above, there doesn't appear to be anything wrong. I reviewed the pressure and temperature trend and the pressure control was in acceptable range and was able to function in AUTO mode. However, the two temperature controls were very poor, the master temperature was not able to funtion in AUTO mode, the E-0111 outlet gas temperature controller was in AUTO and dead band was applied in PID to handle the nonlinearity process behavior, but the performance was poor.

Process data was collected to analyze the relationships between PV and MV. The below figure shows the relationship between PIC362.PV and PIC362.MV:

 

the relationship between PIC362.PV and PIC362.MV

 

It shows a very bad relationship -- almost no relationship.

The below figure shows the relationship between TIC292.PV and TIC292.MV:

 

the relationship between TIC292.PV and TIC292.MV

 

It also shows very bad relationship – almost no relationship.

The idea popped up in my head that there might have been something wrong in the control scheme, I checked the process data and realized that the gas bypass flow is only 25% of the main flow and that it might not be a good idea to use small flow to handle the train feed pressure. I continued analyzed the data and what I found is shown in figures below:

 
 

PIC362.PV has very good linear relationship with the total feed flow, which  makes sense.

 
 

And this is the first surprise! Total flow has a very good linear relationship with E-0111 flow rather than bypass flow!

 
 

Bypass valve opening has very good linear relationship with valve opening, which makes sense.

 
 

And this is second surprise! The E-0111 outlet temperature has a good linear relationship with the bypass flow.

From the data analysis, it was clear that the original base layer design was totally wrong, and that was the root cause of why both the pressure and temperate controller’s performance were very poor.

Based on the analysis above, the below control scheme was proposed:

  • The temperature control valve shall be the handle to control feed pressure, and
  • The pressure control valve shall be the handle to control E-0111 outlet temperature!

Actually, stabilizing the charge feed is the higher priority than keeping the pressure in a particular value, thus the following control strategy was thus recommended:

 

fig 2: updated control strategy

 

However, based on the original design scheme, the chiller separator feed temperature control was expected; a new temperature controller after two flow combined together was added to manipulate the bypass valve opening:

 

fig 3: modified andupdated control strategy

 

After modifying the DCS control drawing and retuning the pressure, flow and temperature controller by using our tuning tool, the performance was perfect and whole train operation became very stable. The customer implemented the same design in a total of four trains. The plant test was also very easy to carry out later on due to plant operation stability, and the APC project was then considered to be a success!

Conclusion

Can we challenge the famous EPC? Why did I spend time to test the loops which were not my APC MV?

This experience is a very good example in that pretest and PID tuning in an APC project does not just call for following a standard procedure to test the MVs one by one. Listen to the operators and engineers to understand the plant operation issues, this is always the first step. If the plant is fluctuating from time to time, you are not able to build a good model for your APC, at all!

This kind of design issue is difficult to be diagnosed unless you had a similar experience. Listening to the operators and analyzing the test data can help you to diagnose the process control design errors and will be beneficial for your APC project as well. Cheers!

Read another article that involves tuning, here.